欢迎来到上海光学仪器批发厂家_祈色贸易有限公司!联系电话:15317189276
当前位置:首页 » 产品中心 » 祈色超声波测厚仪的标准试块/ 阶梯平底试块NB/T47013-2015
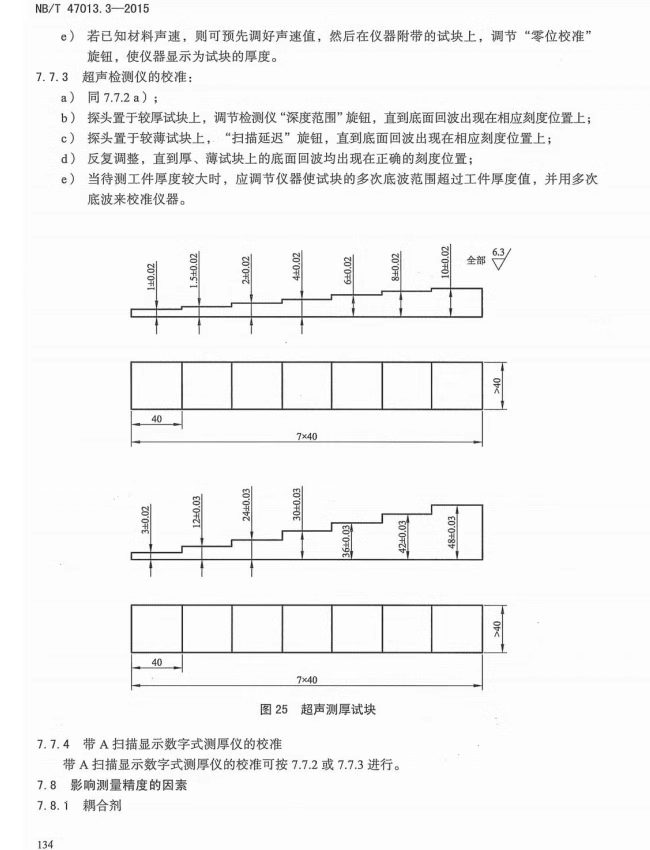
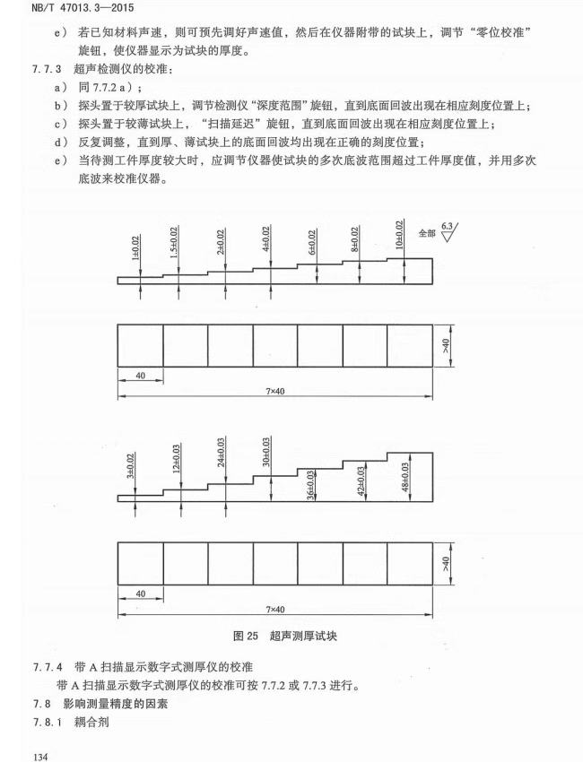
祈色超声波测厚仪的标准试块/ 阶梯平底试块NB/T47013-2015
祈色超声波测厚仪的标准试块/ 阶梯平底试块NB/T47013-2015
规格/型号

189 3041 5032《朱先生》153 1718 9276《徐先生》130 2211 3529《赵先生》

136 5180 1832《丁小姐》133 1199 5529《李先生》18916571362《田先生》

购买产品可对公付款开专票或者普票,签定合同。或者联系我们销售电话微信同号


产品分类
上新产品
商品详情


为你推荐
电话咨询