189 3041 5032《朱先生》153 1718 9276《徐先生》130 2211 3529《赵先生》
136 5180 1832《丁小姐》133 1199 5529《李先生》18916571362《田先生》
购买产品可对公付款开专票或者普票,签定合同。或者联系我们销售电话微信同号
实验室仪器
办公用品
纺织仪器
光学仪器
五金工具
检测仪器
劳尔色卡
标准色卡
机械设备
品牌代理
气体检测仪器
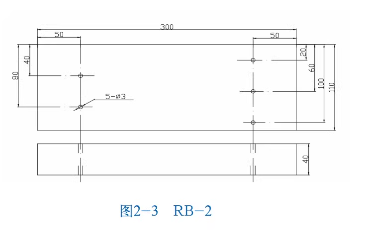
RB-1、RB-2、RB-3为系列试块,分别适合8-25、8-100和 8-150mm的板厚,其标准反射体为3mm40mm的横通孔。主要用途绘制距离-波幅曲线,调整探测范围和扫查速度。测定斜探头的K值。






