189 3041 5032《朱先生》153 1718 9276《徐先生》130 2211 3529《赵先生》
136 5180 1832《丁小姐》133 1199 5529《李先生》18916571362《田先生》
购买产品可对公付款开专票或者普票,签定合同。或者联系我们销售电话微信同号
实验室仪器
办公用品
纺织仪器
光学仪器
五金工具
检测仪器
劳尔色卡
标准色卡
机械设备
品牌代理
气体检测仪器 
该类试块依据承压设备I型焊接接头超声检测要求而设计,适用于将斜探头、直探头检测工件





CSK-IA、CSK-IIA、CSK-IIIA标准探伤试块价格表
| 试块价格表 | ||||
| 名称/型号 | 单位 | 单价(元) | 说明 | |
| CSK-IA | 块 | 1600 | 含支架(含使用说明书) | |
| 翻转架 | 台 | 660 | ||
| CSK-IIA | 1# | 块 | 860 | 支架 150 |
| 2# | 块 | 1800 | 支架 150 | |
| 3# | 块 | 3300 | 支架 150 | |
| CSK-IIIA | 块 | 960 | ||
| 翻转架 | 台 | 660 | ||
中华人民共和国行业CSK-IA、CSK-IIA、CSK-IIIA标准探伤试块 JB4730-2005
本部分适用于金属材料制承压设备用原材料、零部件和焊接接头的超声检测,也适用于金属材料制在用承压设备的超声检测。与承压设备有关的支承件和结构件的超声检测,也可参照本部分使用。标准试块是指部分规定的用于仪器探头系统新能校准和检测校准的试块。标准试块应采用与被检测工件相同或近似的材料制成。该材料用直探头检测时,不得有大于Φ2mm平底孔当量直径的缺陷。对比试块是指用于检测校准的试块。对比试块的外形尺寸应能代表被检工件的特征,试块厚度应与被检工件的厚度相对应。如果涉及到两种或两种以上不同厚度部件焊接接头的检测,试块的厚度应由其*大厚度来确定。
(1):CSK-IA是我国锅炉和钢制压力容器对焊缝超声波探伤JB1152-81标准规定的标准试块,是基于IIW试块改进得到的。
①、台阶孔ø50、ø44、ø40,便于测定横波斜探头的分辨力;
②、R100、R50阶梯圆弧,便于调整横波扫描速度和探测范围;
③、标定的折射角开为K值(K=tgβ),可直接测出横波斜探头的K值。
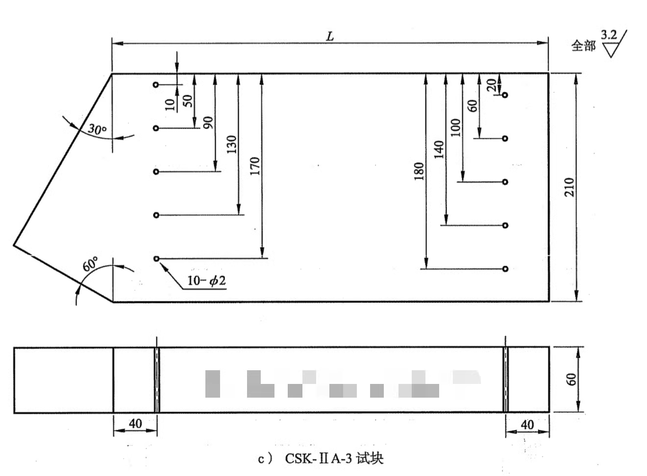
(2):CSK-IIA是行业标准试块,CSK-IIA适用于壁厚范围为8-120mm的焊缝。
(3)CSK-IIIA超声波标准试块
CSK-IA、CSK-IIA、CSK-IIIA标准探伤试块适用于壁厚范围为6-120mm的焊接接头,CSK-IA和CSK-IVA系列试块用壁厚范围大于120-400mm的焊接接头。
CSK-IB(CSK-IA)试块及专用翻转架
CSK-IB试块在原有CSK-IA的基础上增加了测试斜探头折射角的刻度面。形状和尺寸如图2-1所示:
使用要点:
① 利用R100mm曲面测定斜探头的入射点和前沿长度;
② 利用Φ50和1.5mm圆孔测定斜探头的折射角;
③ 利用试块直角棱边测定斜探头声束轴线的偏离情况;
④ 利用25mm厚度测定探伤仪水平线性、垂直线性和动态范围;
⑤ 利用25mm厚度调整纵波探测范围和扫描速度;
⑥ 利用R50和R100mm曲面调节横波探测范围和扫描速度;
⑦ 利用φ50、φ44和φ40mm 三个台阶孔测定斜探头分辨力。