189 3041 5032《朱先生》153 1718 9276《徐先生》130 2211 3529《赵先生》
136 5180 1832《丁小姐》133 1199 5529《李先生》18916571362《田先生》
购买产品可对公付款开专票或者普票,签定合同。或者联系我们销售电话微信同号
标准色卡
实验室仪器
办公用品
纺织仪器
光学仪器
五金工具
检测仪器
沪析
机械设备
品牌代理
气体检测仪器
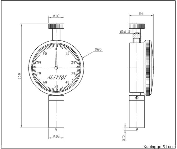
LX-A 邵氏硬度计装置在配套生产的同型号负荷测定架上,能在实验室内对橡胶、塑料标准试片测定其标准硬度。还可手持硬度计表头,对承装在设备上的橡胶(塑料)物件测定其表面硬度。
注:本硬度计也可对塑料试片和塑料制品进行硬度测定。但塑料试样及调节,必须按照GB/T2918—1998《塑料试样状态调节和试验的标准环境》有关规定进行。产品执行*标准GB/T531-1999《橡胶袖珍硬度计压入硬度试验方法》,此*标准等同于国际标准《Rubber-Determination of indentation hardness by means of pocdet har-dness meter》同时参照JJG304-2003《A型橡胶硬度计检定规程》中的有关规定。
特 点:
指针式指示,读数方便、准确、精度高
手持式设计,携带方便,可手持测量,也可安装在配套的测试架上测试
参数:
刻 度 盘 值: 0 ~ 100HA
压 针 行 程: 2.5 mm
推荐测量范围: 10 ~ 90HA
压针头部尺寸:Ф 0.79 mm
外型尺寸:115*60*25mm
重 量:~ 0.5 kg







使用方法: | |
把试样放置在坚固的平面上,拿住硬度计,压足中孔的压针距离试块边缘至少12mm,平稳地把压足压在试样上,不能有任何振动,并保持压足平行于试样表面,以使压针垂直地压入试样,所施加的力要刚好足以使压足和试样完全接触,除另有规定,必须在压足和试样完全按触后1秒内读数,如果是其他间隔时间读数则必须说明,在试样相距至少6mm的不同位置测量硬度值5次,取其平均值。 | |
使用须知: | |
⑴、测定前应检查硬度计的指针在自由状态下应指向零位。如指针量偏离零位时,可以松动右上角压紧螺钉,转动表面,对准零位。然后将硬度计压在玻璃板上,压针端面与压足底面紧密接触于玻璃板上时,指针应指向100+/-0.5HA,如不指向100+/-0.5HA时,可轻微按动压针几次,如仍不指100+/-0.5HA时,则此硬度计不能使用。如在邵氏硬度计测试机架上使用时,可拨动手柄,使工作台上升至定荷砝码抬起,使压针端面与压足平面紧密接触于玻璃工作台时,指针应指向100+/-0.5HA。如不指100 | |

